1、用途
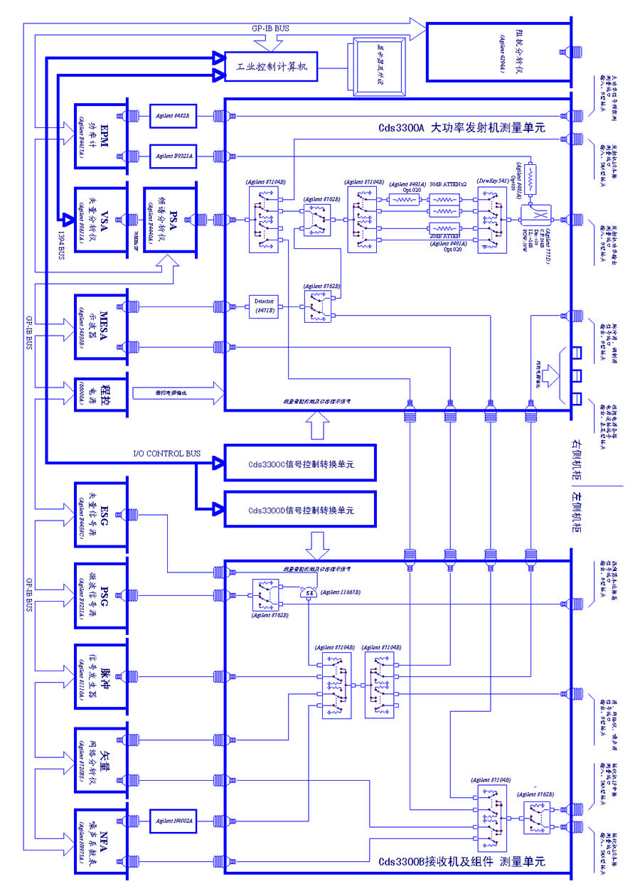
CDS3300is 收发信机集成测试系统是根据科研开发的测量要求和相应的内控产品标准而开发的集成综合测试系统。此系统侧重满足在2GHz-4GHz频段范围内最大输出功率为20W的信令发射机和高灵敏度遥测接收机的指标测试和计量要求,同时对于整机设备中关键的射频组件也可进行全指标测试。所有的测试操作均通过控制计算机遥控进行,并将测量结果通过屏幕显示和测试报告输出的形式提供给操作者。
此系统采用一体化19英寸36U测试机柜方式,全部的测试仪器和测试组件均安装在两个高度为1.8米的测试机柜中。
2、测量功能种类和主要技术指标
CDS3300is 收发信机集成测试系统能够进行发射机、接收机的无线指标的测试,此外还可以进行整机内部主要射频模块的自动测量。以下是自动测试系统可以完成的指标的测量和标定:
2.1发射机测试
(1)发射机直流功耗(电压和电流)
(2)发射频率和频率误差
(3)额定输出功率
(4)谐波失真
(5)杂散发射
(6)频谱特性
(7)调制特性
(8)三阶交调
(9)本振频率准确度
(10)本振相位噪声
(11)输入阻抗
(12)带外抑制
2.2接收机测试
(1)接收灵敏度
(2)中频频率和频率误差
(3)接收动态范围
(4)镜像抑制
(5)中频抑制
(6)本振频率准确度
(7)本振相位噪声
(8)三阶交调
(9)输入阻抗
(10)输入驻波比
(11)整机增益
(12)AGC控制范围
(13)接收机滤波特性
2.3前置放大器测试
(1)放大增益
(2)带内平坦度
(3)输入驻波比
(4)输入阻抗
(5)3dB带宽
(6)1dB压缩点
(7)群时延
(8)相对相移
(9)增益线性度
(10)增益斜率频率特性
2.4混频器测试
(1)变频损耗
(2)本振泄漏
(3)RF射频泄漏
(4)变频压缩
(5)输入驻波比
(6)输入阻抗
2.5中频放大器测试
(1)放大增益
(2)增益线性度
(3)增益斜率频率特性
(4)带内平坦度
(5)输入驻波比
(6)输入阻抗
(7)群时延
(8)相对相移
(9)3dB带宽
(10)1dB压缩点
系统总体测试
