测量系统软件
高功率发射机及组件自动测试系统由多台仪器和测试组件组成。其中所有的仪器和设备集中安装在测试机柜中,它们之间以及和计算机之间是通过IEEE-488/2.0总线接口电缆、通用TTL I/0接口电缆(必要时)和射频电缆连接等实现数据、指令、图形和模拟信号的传递和自动控制。
全部测试过程和测试方法都无需对测试系统进行人工硬件调整,均通过对计算机上的参数设置(自动或手动)来实现,同时软件提供仪器配置、仪器设置、仪器校准等信息,并提供实时的操作/校准帮助提示和连接框图。软件提供数据存储、误差修正、测量门限限制等功能,通过用存储的测量结果进行自动比对、调整、测量和防止误操作,最终自动生成的测试报告,报告采用Word 文档格式。
全部的计算机测量软件均工作在Windows,2000/WindowsXP环境下,并采用Window格式的图形用户界面、下拉式菜单结构、弹出式操作对话框和信息提示框,紧凑而直观,所有的测量结果、测量波形一目了然。
测量系统软件由以下三部分组成:
(1)功率发射机及组件专用测量控制软件
(2)系统校准软件
(3)系统数据库软件
(4)测量报告软件
(5)系统管理及工具软件
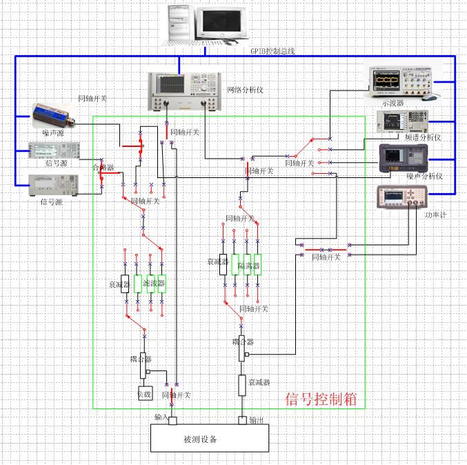
系统连接框图
系统采用以下的连接原理框图,操作者只需将被测设备与系统进行一次性联接,测量通路由软件自动控制完成,系统可分别进行不同测试指标的测量并兼顾了各种测试指标的连接。
