网站首页
公司概况
公司简介
企业文化
组织架构
产品中心
光学元件
电动、手动滑台
光学平台
纳米定位平台
应用系统
代理产品
高端定制
光电产品
测控系统
新闻动态
公司新闻
行业资讯
联系方式
供应商平台
高端定制
光电产品
测控系统
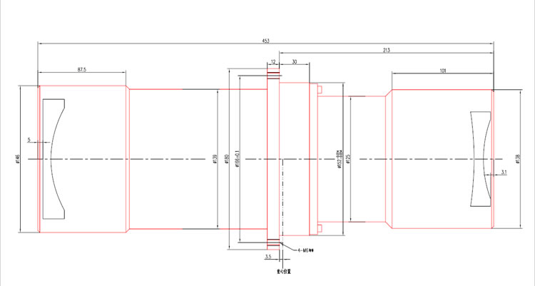
大视场光学系统
需求:
用于为中子照相的大视场光学系统,配合已有暗盒设计,实现大视场成像。
功能要求:
该光学系统安放于成像系统暗箱内部,与反光镜、CCD等其他相关组件一起实现转换屏所产生光信号的传输及接收;
上一个
闪烁光纤阵列
下一个
传像素柔性光纤束阵列